File:XO 1.5 A2 Tinderbox.png
Jump to navigation
Jump to search
Error creating thumbnail: Unable to save thumbnail to destination
Other resolution: 2,815 × 2,163 pixels.
Original file (2,815 × 2,163 pixels, file size: 771 KB, MIME type: image/png)
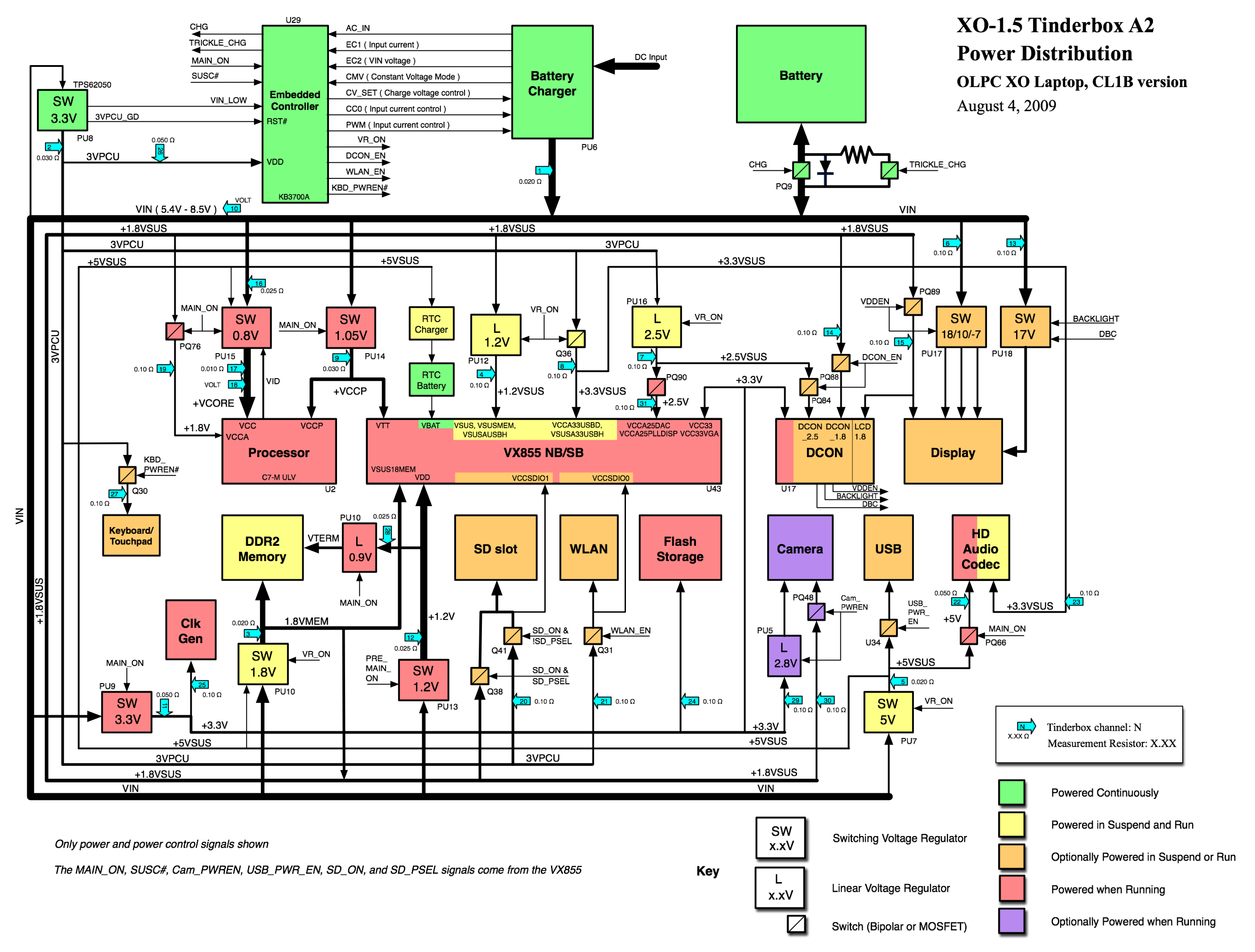
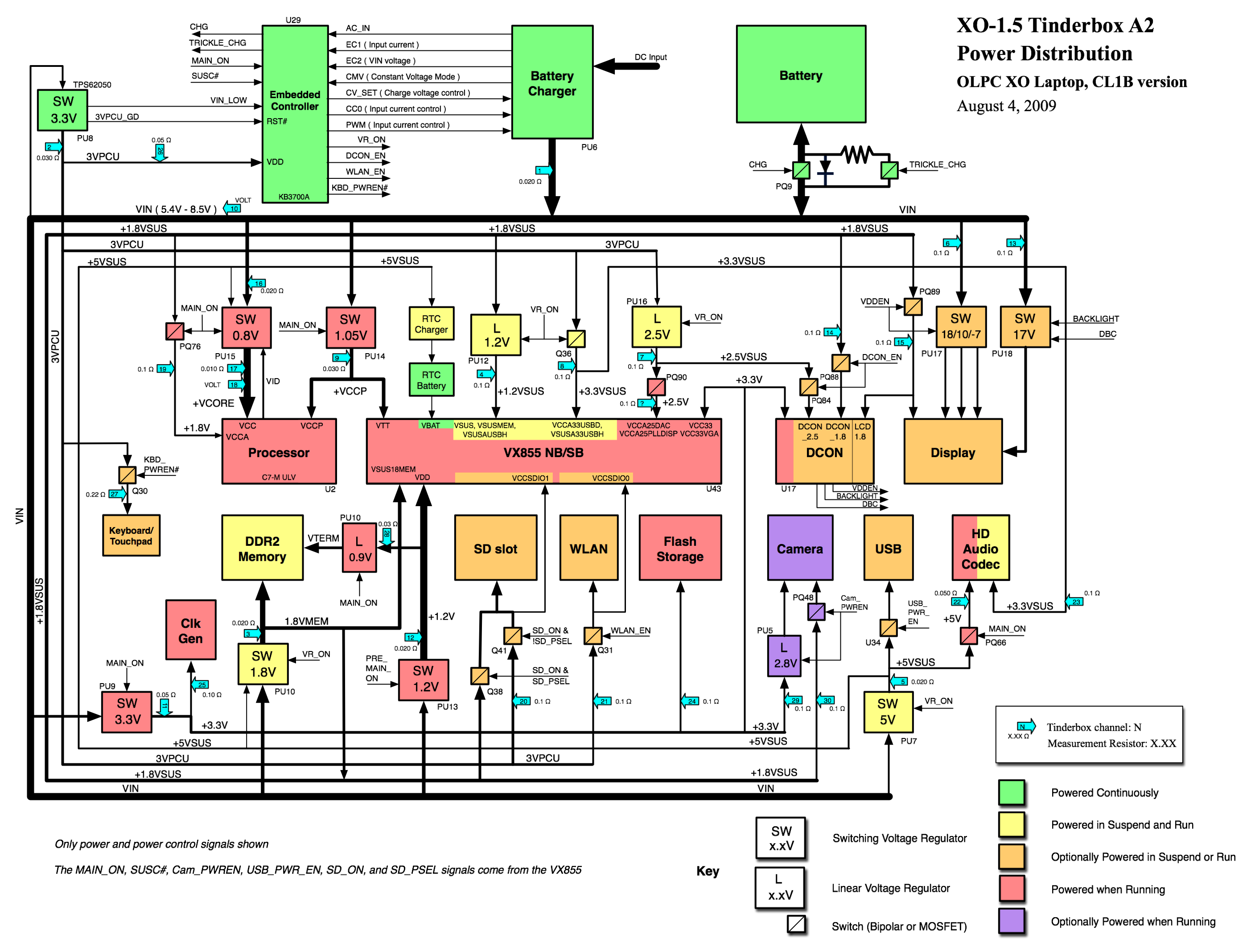
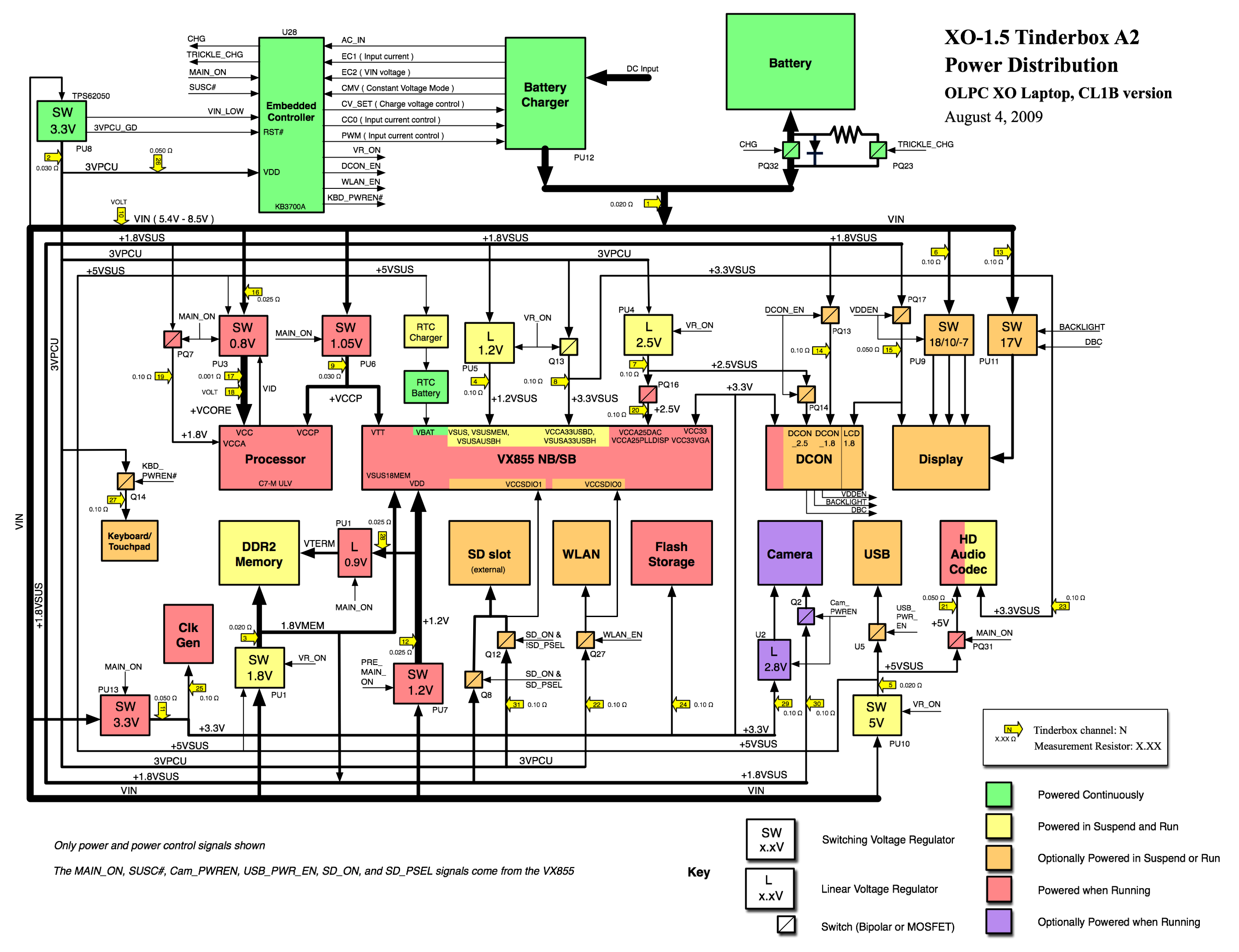
This is the power distribution diagram for an XO 1.5 A2 prototype. It shows the different locations where we are measuring power consumptions (through current measurements). See XO 1.5 A2 Tinderbox.
File history
Click on a date/time to view the file as it appeared at that time.
| Date/Time | Thumbnail | Dimensions | User | Comment | |
|---|---|---|---|---|---|
| current | 11:45, 11 August 2009 | Error creating thumbnail: Unable to save thumbnail to destination | 2,815 × 2,163 (771 KB) | Imported>Wad | |
| 01:43, 10 August 2009 | Error creating thumbnail: Unable to save thumbnail to destination | 2,815 × 2,135 (772 KB) | Imported>Wad | This is the power distribution diagram for an XO 1.5 A2 prototype. It shows the different locations where we are measuring power consumptions (through current measurements). See XO 1.5 A2 Tinderbox. | |
| 01:04, 10 August 2009 | Error creating thumbnail: Unable to save thumbnail to destination | 2,815 × 2,135 (767 KB) | Imported>Wad | This is the power distribution diagram for an XO 1.5 A2 prototype. It shows the different locations where we are measuring power consumptions (through current measurements). See XO 1.5 A2 Tinderbox. | |
| 00:56, 10 August 2009 | Error creating thumbnail: Unable to save thumbnail to destination | 2,815 × 2,135 (768 KB) | Imported>Wad | This is the power distribution diagram for an XO 1.5 A2 prototype. It shows the different locations where we are measuring power consumptions (through current measurements). See XO 1.5 A2 Tinderbox. |
You cannot overwrite this file.
File usage
The following page uses this file: