XO 1.75 C2

From OLPC Wiki - Mirror
Jump to navigation Jump to search
  This page is monitored by the OLPC team.

XO-1.75 Laptop C test model 2, also known as C2.

Description

The C2 version is the XO-1.75 entering production. Electrically, these are almost identical to the C1 prototypes and very similar to the B1 prototypes. XO-1.75 production ramped at the beginning of February, 2012.

Identification

XO-1.75 Hinge Cover

XO-1.75 laptops have seven small raised dots on the hinge cover, arranged in two rows. XO-1 laptops have a smooth hinge cover, and XO-1.5 laptops have three small raised dots inline on each side of the hinge cover. Open Firmware cpu-model OLPC 1C2

Internally:

  • There is a single large chip (the Marvell Armada 610 System on Chip) instead of two large chips (the CPU and a companion chip used in XO-1/1.5).
  • The motherboard revision is F
Improved Membrane Keyboard

Two version of C2 were built (SKUs 203 and 204), testing out various alternate component suppliers. From a software and functionality point of view, however, these should be identical. They differ in the amount of NAND Flash and SDRAM provided (8GB/1GB vs. 4GB/512MB), as well as the keyboard (traditional or our improved membrane).

Photographs:

If you disassemble the laptop (instructions), you will see:

Annotated image of XO-1.75 motherboard
Annotated image of XO-1.75 motherboard

Software

See XO-1.75 software.

Software Restrictions

See XO-1.75 general software restrictions.

See http://dev.laptop.org/1.75 for tickets that are not closed, in the XO-1.75 firmware or software milestones.

Hardware Restrictions

Increased power draw in suspend

SKU 203 laptops have a motherboard which doesn't have the additional circuitry needed to reach the lowest power when suspended. They will draw approx. 150 mW more than SKU 204 laptops in suspend.

All further production will use the lowest power BOM used in SKU204.

Documentation

Location of serial port

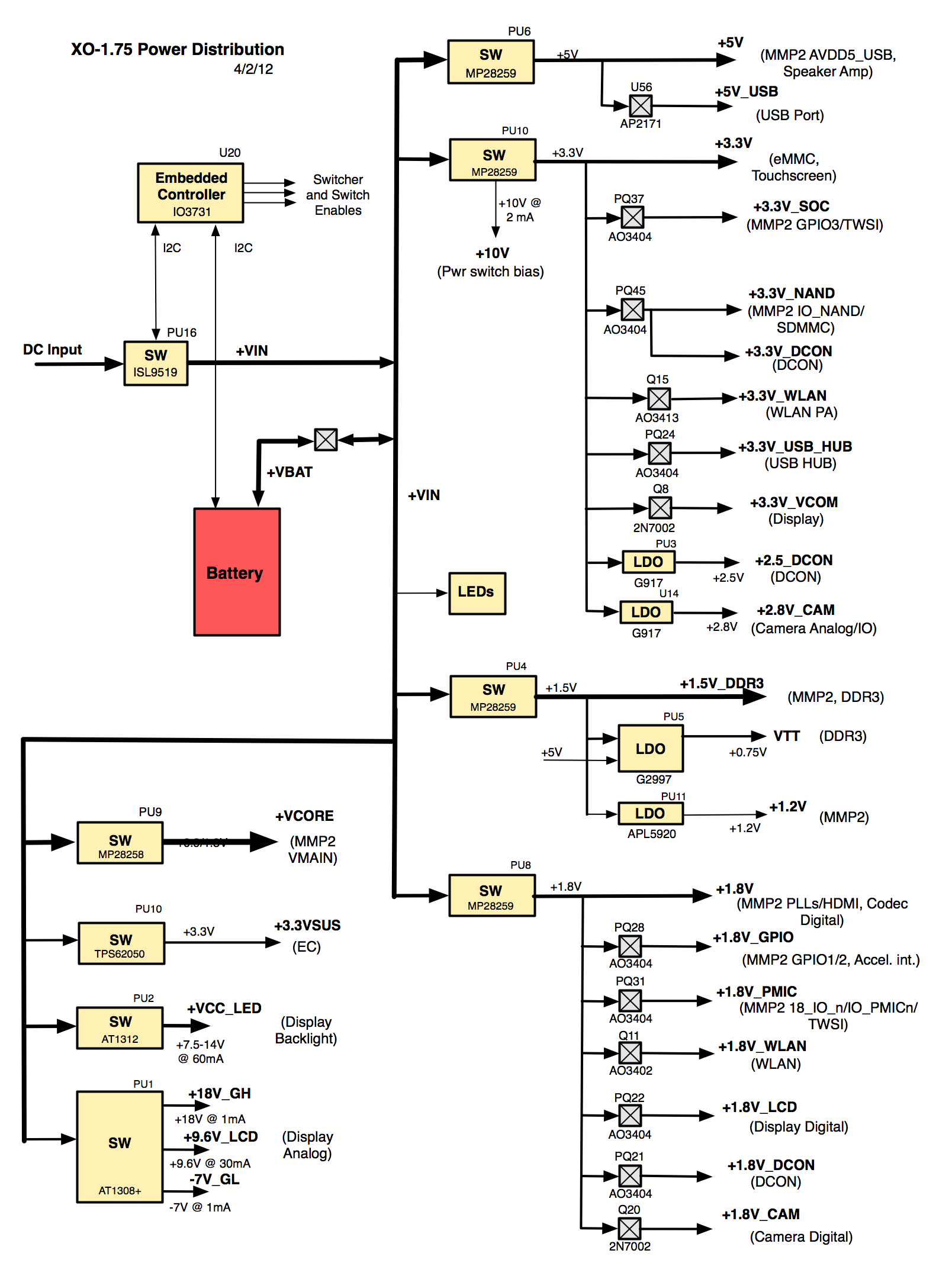
Supporting documentation for this laptop (all in PDF):

Followed by

  • there is no later model of XO-1.75
  • XO-4
  • XO-3

Preceded by

Changes