XO 1.75 Power Distribution
This page describes the power distribution network of the XO-1.75 laptop, specifically the production C2 version.
Introduction
Inside a laptop, power has to be distributed from the battery to the different laptop components and efficiently transformed to suitable voltages. Low power is one of our highest design goals, and an efficient power storage and distribution network is essential.
Battery Technology
The battery technology used in the XO-1.75 is the same Lithium Ferro-Phosphate (LiFePO4) used in all XO laptops. It is similar to the more common Li-Ion battery, but safer and with a wider charging temperature range. For power efficiency reasons, we use two cells in series. This provides a battery with an operating voltage (+VBAT in the diagram) of 5.4 to 7.4V.
DC Power Input
The DC power input of the XO-1.75 was designed to operate with a wide range of input power. It uses input voltages from 11V to 24V, and accepts a range from -39V to +40V without damage. Higher input voltages may blow a protective fuse on the motherboard. In order to support cheap (single stage) PFC power supplies, it accepts an AC ripple on the input of up to 2 Vrms,
It was designed for direct use with a solar panel. It accepts a high input voltage, such as that generated by an unloaded, cold, brightly lit solar panel. It also constantly monitors the input power and dynamically modifies the input impedance of the laptop to maximize the power generated by a solar panel (MPPT).
Armada 610
In previous XO Laptop designs (XO-1,XO-1.5), the lowest power mode that the processor and companion chip were able to enter (the ACPI S2 state) still drew over a Watt of power. As a result, there was much effort expended in the electrical design of the motherboards to allow the system to quickly completely power down the processor and companion chip (S3), placing the main memory into self-refresh mode, while keeping the networking and display subsystems powered and running.
The Marvell Armada 610 was designed using a low-power technology which allows the power consumed by the processor and other circuitry to drop very close to zero when clocks are stopped. In XO-1.75, power is never removed from the processor when it is suspended. It does, however, use the normal Linux suspend/resume path when entering/exiting this "powered suspend", as reaching the lowest power states requires stopping much of the clock infrastructure in the Armada 610 used by integrated peripherals. This capability has two effects:
- Unlike previous laptops, there are few power rails which are turned off during suspend.
- All power supplies should be reasonably efficient from 1mA to full power, as they will remain on when the system is suspended.
Embedded Controller
The XO-1.75 continues to use a dedicated embedded microprocessor (EC) to control power generation and battery charging, independent from the main SoC. The Armada 610 was designed to operate without an EC, but providing one made it possible to eliminate the Maxim MAX8925 PMMIC used in all other Armada 610 designs, for cost savings. The EC also takes complete responsibility for charging the battery and controlling the switching power supply on the DC input, implementing the MPPT algorithm.
In the XO-1.5 laptop, the Via VX855 companion chip also theoretically eliminated the need for an EC, yet we never would have entered production had we not included an EC.
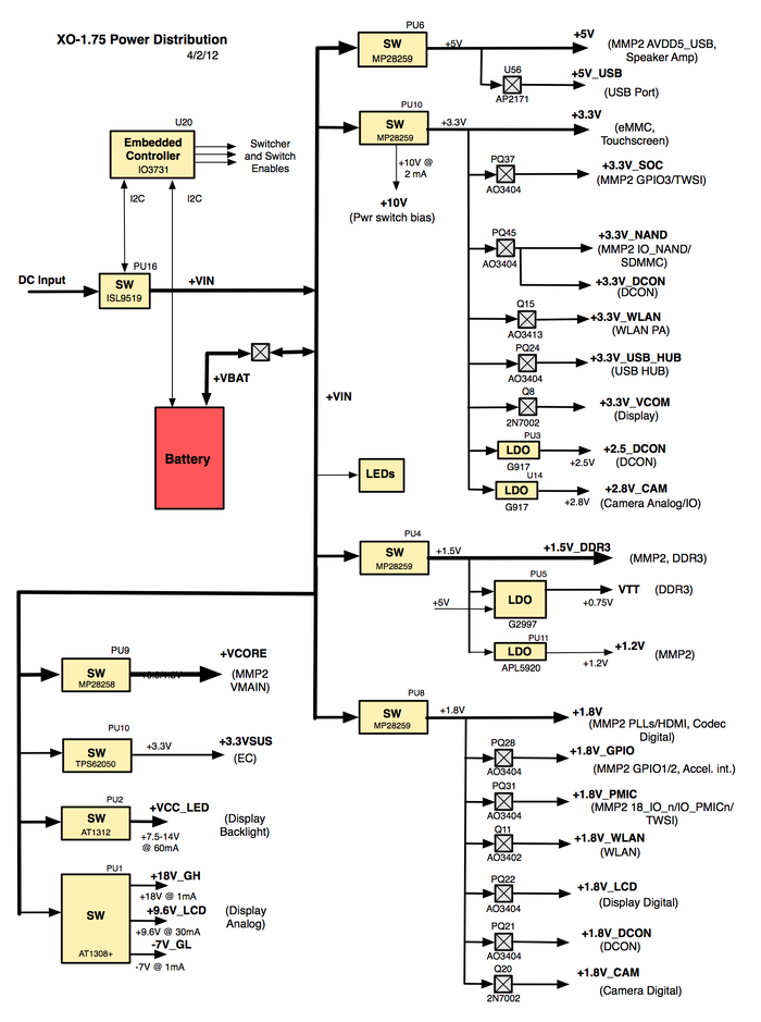
Power Distribution
The basic power topology is referred to as "Narrow Voltage DC". It centers around the device battery, directly connecting it to the main power rail distributing power to the different voltage regulators. To charge the battery, this main power rail is also driven by a switching power supply whose output voltage is varied as necessary to recharge the battery (while also possibly powering the system).
The following diagram attempts to illustrate the power distribution network. In the majority of places where we need to provide a particular voltage, a switching voltage regulator is used which efficiently transforms 85 - 90% of the power. In a few low power situations, small linear regulators are used --- these dissipate any excess voltage as waste heat.
